¹¦Ð§£º
ANAPFϵÁÐÓÐÔ´µçÁ¦Â˲¨Æ÷ͨ¹ýµçÁ÷»¥¸ÐÆ÷ÊÕÂÞϵͳг²¨µçÁ÷£¬£¬£¬£¬£¬£¬¾¿ØÖÆÆ÷¿ìËÙÅÌËã²¢ÌáÈ¡¸÷´Îг²¨µçÁ÷µÄº¬Á¿£¬£¬£¬£¬£¬£¬±¬·¢Ð³²¨µçÁ÷Ö¸Á£¬£¬£¬£¬£¬Í¨¹ý¹¦ÂÊÖ´ÐÐÆ÷¼þ±¬·¢Óëг²¨µçÁ÷·ùÖµÏàµÈÆ«ÏòÏà·´µÄÅâ³¥µçÁ÷£¬£¬£¬£¬£¬£¬²¢×¢ÈëµçÁ¦ÏµÍ³ÖУ¬£¬£¬£¬£¬£¬´Ó¶øµÖÏû·ÇÏßÐÔ¸ºÔØËù±¬·¢µÄг²¨µçÁ÷¡£¡£¡£¡£¡£¡£¡£
Ó¦ÓùæÄ££º
ÊÊÓÃÓÚ²¢ÁªÔÚº¬Ð³²¨¸ºÔصĵÍѹÅäµçϵͳÖУ¬£¬£¬£¬£¬£¬Äܹ»¶Ô¶¯Ì¬×ª±äµÄг²¨µçÁ÷¾ÙÐпìËÙʵʱµÄ¸ú×ÙºÍÅâ³¥¡£¡£¡£¡£¡£¡£¡£
¶©»õ¹æ·¶£º
ÏêϸÐͺţºANAPF150-380/BGL
ÊÖÒÕÒªÇó£ºÐ³²¨Åâ³¥µçÁ÷150A£¬£¬£¬£¬£¬£¬ÏßµçѹƷ¼¶380V ¡£¡£¡£¡£¡£¡£¡£
½ÓÏß·½·¨£ºÈýÏàËÄÏß
×°Ö÷½·¨£ºÁ¢¹ñʽ
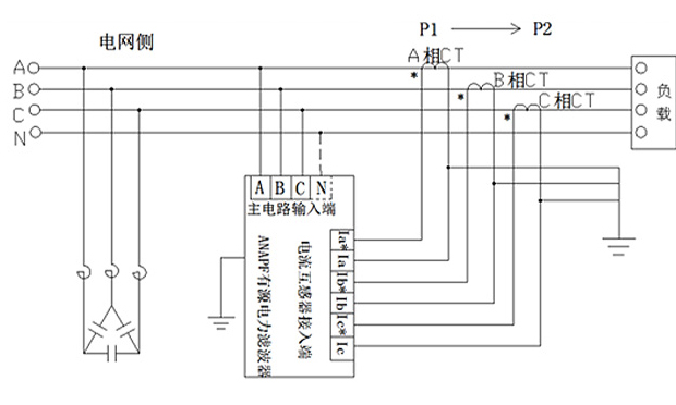
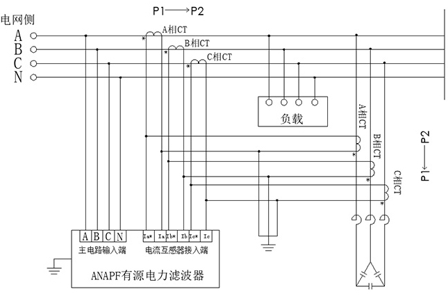
»¥¸ÐÆ÷½ÓÏß·½·¨£º¸ºÔزà
ÐÎ×´³ß´ç
³éÌëʽģ¿£¿£¿£¿£¿£¿éʾÒâͼ
±Ú¹Òʽģ¿£¿£¿£¿£¿£¿éʾÒâͼ
Õû¹ñʾÒâͼ
½ÓÏß·½·¨
µçÈݹñÔÚ½øÏß²àÖ÷µç·½ÓÏß
µçÈݹñÔÚ×îºóÖ÷µç·½ÓÏß
×°ÖÃʾÒâ
1. A¡¢B¡¢C¡¢NÖ÷Ïߣ¬£¬£¬£¬£¬£¬ÅþÁ¬ÖÁ½ÓÏß¶Ë×Ó£¨Ö÷Ïß·ÊäÈë¶Ë£©
2. PE½ÓµØÏߣ¬£¬£¬£¬£¬£¬ÅþÁ¬ÖÁ½ÓÏß¶Ë×Ó»ò½ÓµØÍÅÅ
3. CT½ÓÏß¶Ë×Ó,ÅþÁ¬ÖÁµçÁ÷ÐźŶË×Ó£¨µçÁ÷»¥¸ÐÆ÷ÊäÈë¶Ë£©
ÏÖ³¡×°ÖÃͼ
°¸ÀýÒ» ANAPFÔÚÊý¾Ý»ú·¿µÄÓ¦ÓÃ
ÖÎÀíǰ
ÖÎÀíºó
°¸Àý¶þ ANAPFÔÚÉÌÒµÖÐÐĵÄÓ¦ÓÃ
ÖÎÀíǰ
ÖÎÀíºó