¶à±¦µç¾º

ÌØÊâ¶¨ÖÆÀàµçÁ÷»¥¸ÐÆ÷

  • ²úÆ·¼ò½é
  • ÊÖÒÕ²ÎÊý
  • ÐÎ×´³ß´ç
  • ²úÆ·±¨¼Û
¡ñ AKH-LÁãÐòµçÁ÷»¥¸ÐÆ÷
¹¦Ð§£º
±¾ÏµÁÐÁãÐòµçÁ÷»¥¸ÐÆ÷ΪÆô³Ýʽ£¬ £¬£¬£¬£¬Ò»´ÎÖ÷¾øÔµÓɵçÀ°ü¹Ü£¬ £¬£¬£¬£¬²úÆ·½öÉóºË¶þ´ÎÈÆ×éµÄ¾øÔµÐÔÄÜ£¬ £¬£¬£¬£¬¶þ´ÎÈÆ×é¶ÔµØÄÜÔâÊÜ3kV¹¤ÆµÄÍѹ¡£ ¡£¡£¡£¡£¡£¡£
 
Ó¦ÓùæÄ££º
ÊÊÓÃÓÚ»§ÄÚ¡¢¶î¶¨ÆµÂÊ50Hz»ò60Hz¡¢¶î¶¨µçѹ35kV¼°ÒÔϵÄС½ÓµØµçÁ÷ϵͳÖй©ÈýÏàµçÀ½ӵر £»£»£»£»£»¤Ó㬠£¬£¬£¬£¬Ò²¿ÉÓë¼ÌµçÆ÷ÅäÌ×ʹÓᣠ¡£¡£¡£¡£¡£¡£
 
¶©»õ¹æ·¶£º
ÏêϸÐͺţºAKH-L-φ80 60A/1A
ÊÖÒÕÒªÇ󣺿׾¶φ80£¬ £¬£¬£¬£¬µçÁ÷¹æ¸ñ60A/1A£¬ £¬£¬£¬£¬×¼È·¼¶10P10£¬ £¬£¬£¬£¬¶î¶¨¸ººÉ1VA¡£ ¡£¡£¡£¡£¡£¡£
ͨѶЭÒ飺ÎÞ
¸¨ÖúµçÔ´£ºÎÞ
 
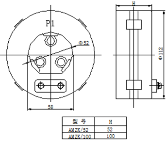
¡ñ AMZKϵÁеçÁ÷»¥¸ÐÆ÷
¹¦Ð§£º
±¾²úÆ·ÊÊÓÃÆµÂÊΪ50-60Hz,Ϊ¿ªºÏʽ²úÆ·£¬ £¬£¬£¬£¬×°Öü«ÎªÀû±ã£¬ £¬£¬£¬£¬ÄÚ²¿ÓÐÈý¸öÏð½ºÈ¦ÓÃÓÚÀο¿Ò»´ÎµçÀ£¬ £¬£¬£¬£¬Ò»´ÎÖ÷¾øÔµÓɵçÀ°ü¹Ü£¬ £¬£¬£¬£¬²úÆ·½öÉóºË¶þ´ÎÈÆ×éµÄ¾øÔµÐÔÄÜ¡£ ¡£¡£¡£¡£¡£¡£
 
Ó¦ÓùæÄ££º
10kV»·Íø¹ñ×÷µçÄܼÆÁ¿¡¢ÕÉÁ¿×°ÖÃºÍ¼Ìµç± £»£»£»£»£»¤Óᣠ¡£¡£¡£¡£¡£¡£
 
¶©»õ¹æ·¶£º
ÏêϸÐͺţºAMZK52 150A/5A
ÊÖÒÕÒªÇ󣺵çÁ÷¹æ¸ñ150A/5A£¬ £¬£¬£¬£¬×¼È·¼¶0.5£¬ £¬£¬£¬£¬¶î¶¨¸ººÉ1.5VA¡£ ¡£¡£¡£¡£¡£¡£
ͨѶЭÒ飺ÎÞ
¸¨ÖúµçÔ´£ºÎÞ
¿Í·þ1
¿Í·þ2
¿Í·þ3
¿Í·þ4
¡¾ÍøÕ¾µØÍ¼¡¿¡¾sitemap¡¿