Ò½ÔºÒ½ÁƸôÀëµçÔ´½â¾ö¼Æ»®
1¡¢¸ÅÊö
¡¶ÃñÓÃÐÞ½¨µçÆøÉè¼Æ¹æ·¶¡·14.7.6.3ÌõÃ÷È·»®¶¨£ºÔÚµçԴͻȻÖÐÖ¹ºó£¬£¬£¬£¬£¬£¬£¬£¬ÖØ´óÒ½ÁÆÎ£Ïյij¡ºÏ£¬£¬£¬£¬£¬£¬£¬£¬Ó¦½ÓÄɵçÁ¦ÏµÍ³²»½ÓµØ£¨ITϵͳ£©µÄ¹©µç·½·¨¡£¡£¡£¡£¡£Í¬Ê±¡¶Ò½ÔºÇå½àÊÖÊõ²¿ÐÞ½¨ÊÖÒչ淶¡·GB50333-2002Öл®¶¨£º2ÀàÒ½ÁƳ¡ºÏÔÚά³Ö»¼ÕßÉúÃü£¬£¬£¬£¬£¬£¬£¬£¬Íâ¿ÆÊÖÊõºÍÆäËûλÓÚ»¼ÕßÖÜΧµÄµçÆø×°ÖþùÓ¦½ÓÄÉÒ½ÓÃITϵͳ¡£¡£¡£¡£¡£È磺ÇÀ¾ÈÊÒ£¨ÃÅÕïÊÖÊõÊÒ£©¡¢ÊÖÊõÊÒ¡¢ÐÄÔà¼à¿ØÖÎÁÆÊÒ¡¢µ¼¹Ü½éÈëÊÒ¡¢Ñª¹ÜÕÕÓ°¼ì²éÊҵȡ£¡£¡£¡£¡£
¶à±¦µç¾ºµÄÒ½ÁƸôÀëµçÔ´½â¾ö¼Æ»®ÊÇÕë¶ÔÒ½ÁÆ¢òÀೡºÏµÄ¹©µçÐèÇó¶ø¿ª·¢Éè¼ÆµÄ£¬£¬£¬£¬£¬£¬£¬£¬Äܹ»ºÜºÃµÄÖª×ãÖÖÖÖÊÖÊõÊÒºÍÖØÖ¢¼à»¤ÊÒ¶ÔµçÔ´Çå¾²ÐԺͿɿ¿ÐÔµÄÒªÇ󣬣¬£¬£¬£¬£¬£¬£¬²¢ÇкϹú¼ÒÏà¹Ø±ê×¼¡£¡£¡£¡£¡£
2¡¢²Î¿¼±ê×¼
GB16895.24-2005 ¡¶ÐÞ½¨ÎïµçÆø×°Öà µÚ7-710²¿·Ö£ºÌØÊâ×°Öûò³¡ºÏµÄÒªÇó Ò½ÁƳ¡ºÏ¡·
JGJ16-2008 ¡¶ÃñÓÃÐÞ½¨µçÆøÉè¼Æ¹æ·¶¡·
JGJ312-2013 ¡¶Ò½ÁÆÐÞ½¨µçÆøÉè¼Æ¹æ·¶¡·
3¡¢ÉèÖüƻ®
¡ô ICU¡¢CCU²¡·¿ITÅäµç½â¾ö¼Æ»®
ICU¡¢CCU¸ôÀëµçÔ´¼Æ»®ÉèÖñí

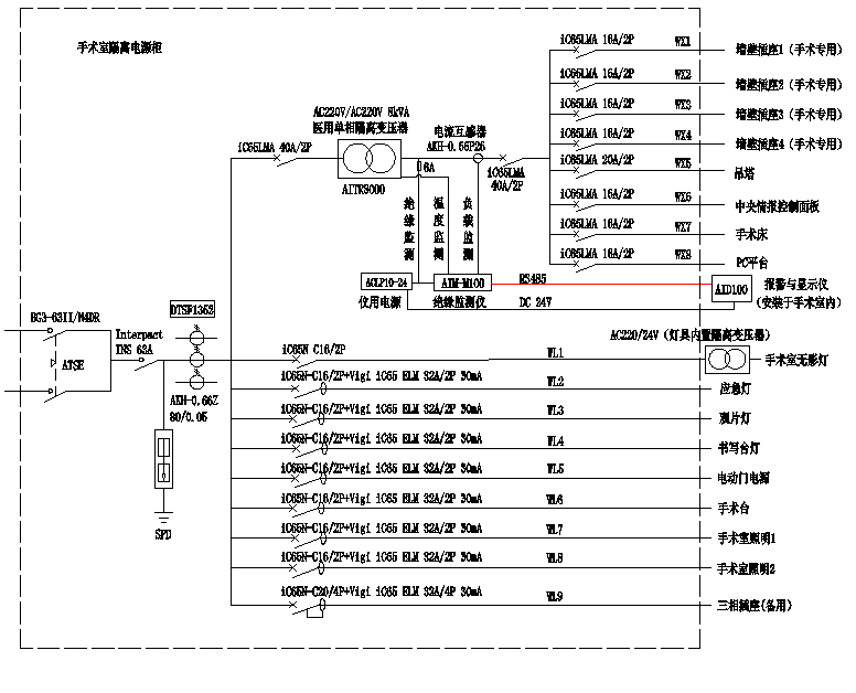
¡ô ÊÖÊõÊÒÅäµç½â¾ö¼Æ»®

¼Æ»®Ò» ²»´ø¾øÔµ¹ÊÕ϶¨Î»¹¦Ð§

¼Æ»®¶þ ´ø¾øÔµ¹ÊÕ϶¨Î»¹¦Ð§

ÊÖÊõÊÒITÅäµç¼Æ»®ÉèÖñí
